Vállalkozásunkat építész és statikus tervezőként azzal a céllal hoztuk létre, hogy az építészeti tervezésben és kivitelezésben dolgozó kollégák munkáját korszerű felmérési technológiákkal támogassuk. Szakterületünk az építmény felmérés, ahol nagy pontosságú lézerszkenner segítségével rögzítjük az épületek, építmények aktuális geometriáját. Több éves szakmai tapasztalatunk és korszerű eszközparkunk garantálja a magas minőségű, nagy pontosságú mérési eredményeket.
Célunk a hosszú távú együttműködés olyan mérnökökkel, kivitelezőkkel és tervezőirodákkal, akik számára a versenyképes tudás elengedhetetlen, és akik készek integrálni a legújabb szakmai innovációkat saját projektjeikbe.
Szolgáltatásainkkal egyaránt támogatjuk az építészeti, gépészeti és belsőépítészeti tervezést, a műemlékvédelmet, valamint a hosszú távú monitoring- és BIM-feladatokat.









A 3D lézerszkenner egy olyan mérőeszköz, amely gyorsan és nagy pontossággal rögzíti az épületek és épületrészek geometriáját, színét. A lézerszkenner lézersugarakat bocsát ki, amelyek visszaverődnek az épület felületéről, és ezek visszaverődési idejét mérve háromdimenziós pontfelhőt hoz létre. Ez a pontfelhő részletes digitális másolatot nyújt az épületről, amelyet tervezési, felújítás vagy dokumentációs célokra használható. Az így nyert adatok lehetővé teszik az építészeti tervdokumentációk pontos és hatékony elkészítését, elkészítését, valamint a meglévő épületek állapotának részletes felmérését.
A fotogrammetria egy mérési technika, amely fényképek segítségével hoz létre pontos háromdimenziós adatokat és modelleket. Alkalmazásával részletgazdag 3D modellek készíthetők. A 3D szkenneléssel ellentétben, amely strukturált lézerfényt használ a pontok helyének mérésére, a fotogrammetria tényleges képeket használ egy tárgy megörökítéséhez és 3D modellé alakításához.
A fotogrammetria előnyei közé tartozik:
A legjobb végeredmény elérése érdekében az előbbiekben bemutatott technológiákat összevonva alkalmazzuk. Az építményeknek vannak olyan részletei, amelyek nem látszanának abból a pozícióból, ahová a szkennert telepíteni lehetne. A keletkező információ hiányt drónok bevonásával próbáljuk minimalizálni. A folyamat egy „FARO s70” típusú műszer segítségével földi-lézerszkenneléssel kezdődik, amely biztosítja a kellő pontosságot (+-1-2mm). Az objektum méretének és alaprajzi összetettségének függvényében több állásból készülnek mérések, majd azon helyeken, ahol a rálátás nem volt biztosítható egy „DJI PHANTOM 4” típusú drónnal képeket készítünk. Ezek fotogrammetriai összekapcsolása majd az ebből készült felhő egy software segítségével készül. A szkennerből kinyert különböző pozíciókból mért eredmények összekapcsolása után illesztjük a meglévő méréshez drónos mérést. Mivel referenciaként a szkennerrel készült felhő szolgál, így a mérnöki-pontosság megmarad, viszont a teljes szerkezetről képezett pontfelhő áll rendelkezésre.


A projekt során egy használaton kívüli hotel épületének teljes körű felmérésére kaptunk megbízást, mely magában foglalta a külső homlokzat és a belső tetőtér felmérését is. A homlokzati felméréshez földi lézerszkennert használtunk, míg a nehezen hozzáférhető, nem látható részeket drónnal mértük fel. A felmérést nehezítette, hogy az épület nem körül járható és a homlokzaton kúszónövények telepedtek meg, amelyek egyrészt rongálták a vakolatréteget, másrészt a méréseket is megnehezítették. A szél folyamatosan mozgatta a növényzetet, ami a pontfelhő regisztrálása során zavaró tényező lett volna. Ennek elkerülése érdekében magas mérésszámmal dolgoztunk. A pontfelhő előállítása során két különböző mérési technológiával dolgoztunk (lézerszkenner, drón fotogrammetria). Az így készített pontfelhők összeillesztése nagyobb utómunkát igényelt. A pontfelhő regisztrálását és ellenőrzését követően az épül külső és belső tereit tartalmazó színes pontfelhőt kaptunk. A pontfelhő segítségével képesek voltunk pontosan meghatározni a homlokzat és a tetőszerkezet sérült részeit, valamint a cserépfedés hibáit. A kártérkép segítségével jelentős költségmegtakarítást értünk el a beruházónál, mivel pontosan meghatározhattuk a javítandó épületrészeket, valamint azok pontos pozícióit. Ezen kívül, a 3D modell alapján könnyedén kiszámoltuk az anyagmennyiségeket, ami további időmegtakarítást jelentett a kivitelezőnek.





A munka során a Budapest Alkotmány utca 25 sz. alatt található műemléki épület külső és belső homlokzati felmérésére kaptunk megbízást. Az épület minden oldalról könnyen megközelíthető volt, így az utcai és a belső udvari homlokzatot földi lézerszkennerrel mértük fel. Annak érdekében, hogy a pontfelhő minél nagyobb részletességgel tartalmazza a homlokzati díszítőelemeket, nagyobb felbontású 7-10 perces mérési idővel dolgoztunk. A tetőidomok mérését az alacsony belátási szög miatt földi szkennerrel nem voltunk képesek felmérni így a nehezen belátható részeket drónos méréssel végeztük. Utómunka során a földi és a légi méréseket egymáshoz illesztettük, majd ezekből nagy részletességű pontfelhőt készítettünk.




Használaton kívüli téglagyár – drónos területfelmérés készült a koncepciótervhez. A feladat egy több mint 11 000 m² nagyságú, használaton kívüli téglagyár és annak közvetlen környezetének felmérése volt. A megrendelő célja egy építészeti koncepcióterv előkészítése volt, amelyhez elsősorban a terepviszonyok és az épületek elhelyezkedésének pontos rögzítésére volt szükség. A terep jelentős lejtése és a nagy kiterjedés miatt a drónos felmérés mellett döntöttünk, amely lehetővé tette a gyors adatgyűjtést. Bár a technológia 5–10 cm pontosságú, így némileg pontatlanabb a lézerszkennelésnél, a koncepcióterv készítéséhez ez elegendő pontosságot biztosított. A döntés előnye, hogy a drónos felmérés lényegesen rövidebb idő alatt elvégezhető volt, amit a megrendelő tudatosan választott a gyors eredmény érdekében. A terep bejárása és a repülés összesen kb. 2 órát vett igénybe, a pontfelhő feldolgozása további 1 munkanapot. Az eredmény egy teljes területet lefedő, részletes pontfelhő, amely tartalmazta a tereplejtést, az épületek pozícióját, tetőidomait és a nyílászárók osztásrendjét is. Az így létrehozott modell megbízható alapot biztosított az építészeti 3D modell felépítéséhez és a koncepcióterv elkészítéséhez.



A projekt során feladatunk volt egy tojásüzem csarnokainak és szociális épületének külső és belső felmérése. Az 8000 m²-es területen három szociális épületrész és öt csarnok található, összesen 3100 m² beépített területtel. A szociális épület belső területeinek összetettsége miatt magas mérési számokkal tudtunk teljesíteni. A felmérést az üzemek folyamatos működése miatt csak az időszakos tisztítások alatt végezhettük el, így a munkát öt ütemben valósítottuk meg. Minden mérési szakasz után a frissített pontfelhőket elküldtük az építész megrendelőnknek, így párhuzamosan tudta végezni tervezési munkát. Összesen több mint 300 mérésből készült egy részletes pontfelhő, amely alapot adott az építész számára a felmérési tervek elkészítéséhez.





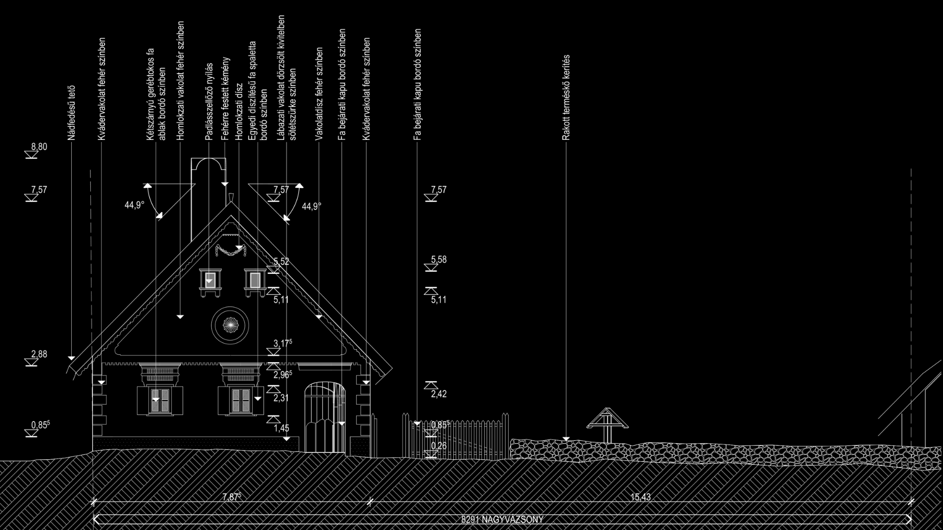
Megbízást kaptunk egy nagyvázsonyi műemléki tájház külső és belső lézerszkenneres felmérésére, majd az ehhez kapcsolódó 3D modell és felmérési tervdokumentáció elkészítésére. Az épület jól körüljárható volt, így a mérések akadálytalanul zajlottak. A tető nagy hajlásszöge kedvező belátási szöget biztosított, ezért nem volt szükség külön drónos felmérésre sem. A felmérést követően másnapra elkészült a teljes pontfelhő, melyet ellenőrzés után, a kért formátumban átadtunk a megrendelőnek. A részletes 3D modell és a felmérési tervek kidolgozása további tíz munkanapot vett igénybe.




A Pécsi Tudományegyetem, Központi Raktárépületének lézerszkenneres felmérésére kaptunk megbízást. Az épület 1800 m²-es beépített területén három különálló rész található: egy raktár, egy garázs és egy irodaépület. A teljes szintterület összesen 7500 m². A szkennelést és a pontfelhők illesztését párhuzamosan végeztük, így a negyedik napra be tudtuk fejezni az egész épület felmérését és a pontfelhő előállítását. A munka eredményeként egy olyan részletes pontfelhőt kaptunk, amely magába foglalja a külső és belső tereket, a liftaknát, a gépészeti szintet, valamint két egymástól független alagutat is. Az ellenőrzések után ezt átadtuk a megrendelőnek. A teljes bejárható terület szkennelése és a mérések illesztése lehetővé tette, hogy alaposan megismerjük az épületet. Ez nagy előnyt jelentett a felmérési terv készítésénél: a 3D modell létrehozása így jóval gyorsabban haladhatott, mintha kizárólag a pontfelhő alapján ismertük volna meg az épületet. Ezt a megrendelő is értékelte, ezért további megbízást kaptunk a 3D modell elkészítésére, valamint az építészeti felmérési dokumentáció összeállítására is.

